A60-7XS V4 28-Pole kv330
Produktbeschreibung und Features
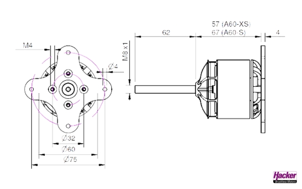
Die A60 Außenläufer sind die größten und leistungsstärksten Motoren der Hacker A-Serie. Sie werden in allen Facetten der RC-Fliegerei eingesetzt, unter anderem in Sportflugzeugen, Warbirds, F3A-Modellen, 3D-Kunstflugmodellen, FES-Seglern und Hubschraubern. Je nach Baulänge und Drehzahl des gewählten Motors wird der Antrieb von 6 bis 12 S Lipo versorgt. Durch den integrierten Lüfter und die großen, verstärkten Kugellager sind diese Motoren sehr robust und langlebig. Die A60-XS und -S Varianten werden als Backmount-Version geliefert. Es wird kein Motorträger benötigt. Die Varianten A60-M und -L können frontseitig montiert werden. Alternativ kann unser separat erhältlicher Aluminium-Motorträger mit zusätzlichem Stützlager verwendet werden.
Beschreibung
Der 8S Powerantrieb für Motormodelle mit ca. 1,8 bis 2,0m Spannweite. Durch seine Bauweise bestens geeignet für die "Backmount-Montage" direkt oder über Distanzbolzen am Motorspant.
Lieferumfang
1x A60-7XS V4 28-Pole kv330, Zubehör für Backmount-Montage, Propmitnehmer und Anleitung.
Antriebsempfehlung
| A60-7XS V4 28-Pole kv330 |
| Artikel-Nr.: 33726636 |
| Propeller |
Xoar 18x10 |
Xoar 19x10 |
| LiPo |
8S |
8S |
| Voltage [V] |
30 |
30 |
| Current [A] |
75 |
85 |
| Power [W] |
2261 |
2471 |
| RPM |
7679 |
7486 |
| Controller [A] |
90 |
90 |
| Timing [°] |
20-25 |
20-25 |
| Technische Daten |
| Polzahl |
28 |
| Windungen |
7 |
| Leerlaufstrom (I0) bei 8,4V [A] |
1,6 |
| Innenwiderstand (Ri) [Ohm] |
0,020 |
| Drehzahl max. |
9.000 |
| Empfohlenes Timing [°] |
25 |
| Empfohlene Taktfrequenz [kHz] |
8 |
| Reglerempfehlung [A] (je nach Setup) |
90 - 130 |
| Leerlaufdrehzahl pro Volt (kv) |
330 |
| Abmessungen und Gewichte |
| Gewicht [g] |
455 |
| Länge [mm] |
57 |
| Außendurchmesser [mm] |
60 |
| Wellendurchmesser [mm] |
8 |
| Lieferumfang / Ausstattung |
| Propmitnehmer |
Ja |
| Befestigungskreuz |
Ja |
| Goldstecker mm (empfohlen) |
4 - 5,5 |
| Backmount montierbar |
Ja |
| Frontmount montierbar |
Nein |