Brushless-Außenläufer-Elektromotor für Flugzeugmodelle: Segler 850g, Trainer 700g, Kunstflugmodell 600g, 3D 450g, KV900 U/min/V, Versorgung Lixx 3-4s. Welle 4,0mm. Alternative Bezeichnung aufgrund der Statorabmessung: 2212-900.
| Motorbezeichnungssystem: PRO xxYY-zzzz |
| PRO - Bürstenloser Außenläufer-Elektromotor |
| xx - Motordurchmesser in mm |
| YY - Motorlänge in mm |
| zzzz - Umdrehung pro Minute pro Volt (RPM/V), „KV“ |
KAVAN PRO 2830-900
KAVAN PRO 2830-900 ist ein kleiner Motor für leichte Modellflugzeuge bis 850 g Fluggewicht, angetrieben von einem 3-4S LiPo-Akku. Er ist hervorragend geeignet für Dumas RC Park-Flyer-Kits 1000-1200 mm SIG/HERR-Kits oder ähnlichen Modellen - er ist optimal geeignet für langsamere Modelle (wie Segelflugzeuge, 3D-Kunstflugzeuge), die mit einem größeren Propeller bei niedrigeren Drehzahlen betrieben werden.
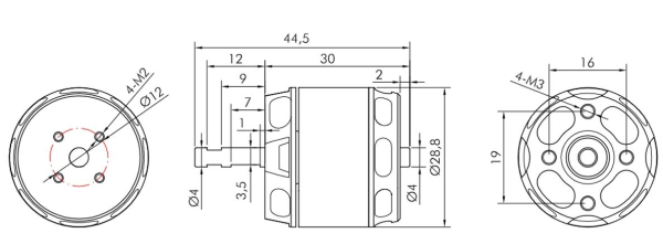
Motoreinbau: KAVAN PRO 2830-900 wurde sowohl für die Front- als auch für die Radialmontage entwickelt. Frontmontage: Verwenden Sie mindestens zwei (gegenüberliegende) oder vier M3-Schrauben; diese dürfen nicht tiefer als 3-4 mm in das Frontgehäuse eintauchen. Radiale Montage: Verwenden Sie vier M3-Schrauben, um das Montagekreuz an dem Motorspant zu befestigen. Der Motorspant sollte aus 2,0 mm Sperrholz bestehen. Das radiale Montageset wird mit dem Motor geliefert.
Inhalt des Motorsets: KAVAN PRO 2830-900 Motor m. Kabel (vergoldete 3,5-mm-Anschlüsse), radiales Montageset. Eine vollständige Bedienungsanleitung kann hier heruntergeladen werden: KAVAN PRO
Hinweis: Alternative Bezeichnung aufgrund der Statorabmessung: 2212-900.
| Stromversorgung von LiXX Zellen |
3 - 4 |
| Drehzahl pro Volt [ot./min/V] |
900 |
| Max. Leistung (180 s) [W] |
230 |
| Innenwiderstand [mOhm] |
117 |
| Leerlaufstrom (při 10 V) [mA] |
700 |
| Max. Spitzenstrom (180 s) [A] |
20 |
| Durchmesser [mm] |
28.8 |
| Länge [mm] |
28 |
| Länge celková [mm] |
44.5 |
| Wellendurchmesser [mm] |
4 |
| Gewicht [g] |
63 |
| Anzahl von Polen |
14 |
| Timing [°] |
20 - 25 |
| Regler [A] |
20 - 30 |
| Segler bis zum Gewicht [g] |
850 |
| Trainer bis zum Gewicht [g] |
700 |
| Kunstflug-Modell bis zum Gewicht [g] |
600 |
| 3D-Modell bis zum Gewicht [g] |
450 |
| |
| Doporučená vrtule |
3S: 9x6"-10x4.7" |
| |
4S: 9x6" |