Sie sind eine sehr gute Wahl als Antriebe für Ihre Entspannungs- und Sportmodelle mit einer ausgezeichneten Leistung und einem günstigen Preis. Es handelt sich um Motoren mit niedrigen Drehzahlen und großem Drehmoment, die die Propeller mit einem großen Durchmesser ohne ein Getriebe drehen.
System der Motorbezeichnung: CxxYY-zzzz
C - Brushlessmotor mit Außenläufer-Glocke ("Outrunner")
xx - Durchmesser des Motors in mm
YY - Länge des Motors in mm
zzzz - Drehzahl/Volt (UpM/V), „KV“
C3530-1400 ist ein Brushlessmotor für kleinere Modelle mit einem Fluggewicht bis 950 g, mit Stromversorgung aus einem 2- oder 4-Zellen-Akku Li-Po. Dieser Motor ist geeignet für Modelle der Größe wie Easy Glider u.ä. - eher für schnellere Modelle, bei denen ein Propeller mit einem kleinen Durchmesser und mit höherer Drehzahl passt.
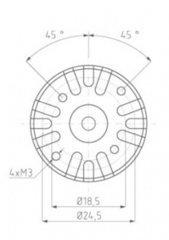
Die Motormontage: C3530-1400 ist für beidseitige Montage konstruiert. Bei der Front Montage hinter dem Motorspant verwenden Sie mindestens zwei (gegenüberliegende) Schrauben oder besser vier Schrauben M3, die sich am Motorspant im Abstand 4-5 mm befinden. Die Löcher für die Befestigungsschrauben an der Frontplatte sind in gleichem Abstand zur Kreislinie mit einem Durchmesser 25 und 19 mm in 180 Grad verteilt. Der Motorspant sollte aus 3-4 mm Sperrholz sein. Das Heck Montage Set (Befestigungskreuz und Propellermitnehmer) liefern wir zusammen mit dem Motor.
Das Motor-Set beinhaltet: den Motor C3530-1400 mit Kabeln und mit den 3,5 mm vergoldeten Klinkensteckern, das Set für die Heck Montage, Anleitung.
Technische Daten:
Stromversorgung der LiXX-Zellen 2 - 4
Drehzahl pro Volt [rpm] 1400
max. Leistung (30 s / 4S LiPo) [W] 390
Leerlaufstrom (2S) [A] 1,7
max. Spitzenstrom (30 s) [A] 35
Durchmesser [mm] 35
Länge [mm] 30
Wellendurchmesser [mm] 4
Gewicht [g] 80
Polzahl 14
Zeit [°] 15 - 25
Regler [A] 40 - 45
Schirm bis Gewicht [g] 950
Trainer bis Gewicht [g] 900
Acrobat mit einem Gewicht von [g] 800
3D bis Gewicht [g] 700
Empfohlener Propeller
3S: 10x5 ”
4S: 8x4 ”