OS-MAX 55AX (40K) 8,93cc / 1,7 PS
Beschreibung:
Zweitakt-Motoren OS MAX AX sind die neueste Reihe von leistungsstarken Antriebseinheiten, die hauptsächlich für Sport- und Kunstflugmodelle entwickelt wurden. Die gründlich durchgearbeitete Konstruktion verfügt über einen einzigartigen ABL-Einsatz (Advanced Bimetallic Liner) mit einer zweischichtigen Oberflächenvergütung aus speziell entwickelten Legierungen zur Minimierung von Reibung und Abnutzung im Betrieb und gewährleistet hohe Leistungen und eine lange Lebensdauer. Der futuristisch geformte sechseckige Zylinderkopf mit großen Kühlrippen bietet eine ausgezeichnete Kühlung und ermöglicht eine höhere Leistung bei denselben Baumaßen, wie es bei der klassischen Reihe FX war. Dank dessen können Sie von dem großen Angebot an Baukästen und Modellplänen profitieren, die in den letzten Jahrzehnten für Zweitakt-Motore OS MAX entwickelt wurden, oder eine Leistungssteigerung für Ihr vorhandenes Modell mit FX Motor erzielen!
OS MAX 55 AX ist ein leistungsstarker Zweitakt-Motor mit einer Kurbelwelle, die mit ein Paar Kugellagern montiert ist und für Sport- und Wettkampf-Kunstflugmodelle aller Art geeignet ist. Er ist mit einem 40K-Doppelnadelvergaser ausgestattet, dessen Hauptnadel zur sicheren Einstellung bei laufendem Motor, schräg nach hinten orientiert ist. Im Basis-Set wird gleichfalls ein sehr effizienter Expansionsdämpfer des Typs E-3071 (Power Box) geliefert. Die Richtung der Auspufföffnung kann durch Drehen der Rückseite des Dämpfers um 360 Grad geändert werden.
Merkmale:
Die gleichen Baumaße wie der klassische OS MAX 46FX.
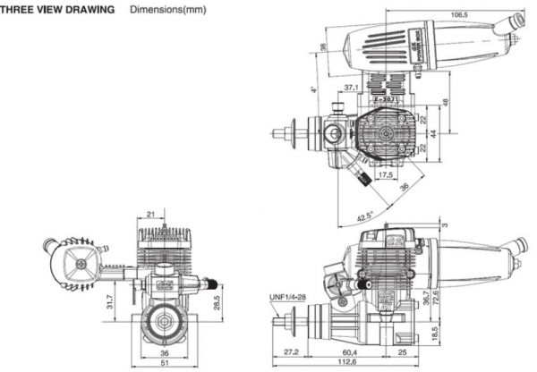
Die Kurbelwelle hat ein Gewinde für die Propellermutter UNF 1/4-28.
Empfohlene Propellerabmessungen: Einlaufen: 12x7“ / Sport und Kunstflug: 12x7“, 12x8“, 13x6“, 13x7“.
Empfohlener Kraftstofftank: 350-400 ml; 350 ml Tank reicht für 10-12 Minuten Kunstflug, vorausgesetzt, dass Sie nicht immer Vollgas fliegen.
Empfohlener Kraftstoff: mindestens 18% Rizinusöl oder synthetisches Öl (bzw. Mischung aus synthetischem Öl und Rizinusöl), 5-20% Nitromethan.
Empfohlene Kerze: OS MAX No. 8 oder bei höheren anteil von Nitro No. 10.
Technische Daten:
Hubraum: 8,93ccm
Leistung ca. (1,7) (PS) bei 16.000 U/min
Drehzahlbereich: 2.000 - 17.000 U/min
Bohrung: 23,0mm
Hub: 21,5mm
Gesamtgewicht: 512g
Vergaser: 40L
Wellengewinde 1/4 "-28 UNF
Gewicht 404 g
Länge bis Nabe: ca. 85,4 mm
Breite: ca. 51 mm
Höhe: ca. 91,1 mm
Abst. Bef.-Löcher längs 17,5 mm quer 44 mm
Bef.-Loch Ø 3,2 mm
Empfohlene Luftschrauben: 12x7“ / Sport und Kunstflug: 12x7“, 12x8“, 13x6“, 13x7“
Lieferumfang:
Motor-Set beinhaltet: Motor OS MAX 55 AX mit RC-Vergaser 40K, Auspuffdämpfer Typ E-3071, Verlängerungs-Set der Hauptnadel, Glühkerze No. 8, Anleitung.